行业资讯
路基路面排水设计超详细图文
路基路面排水是为了保持路基路面常年处于干燥状态,确保路基及路面具有足够的强度与稳定性。做好排水,道路病害就会少很多,也会减少很多事故的发生。设计师做好这块儿,对保证道路质量功不可没!
路基路面排水的一般原则
排水设施要因地制宜、全面规划、合理布局、综合治理、讲究实效、注意经济,并充分利用有利地形和自然水系;路基排水沟渠的设置,应与农田水利相配合,必要时可适当地增设涵管或加大涵管孔径; 设计前必须进行调查研究,重点路段要进行排水系统的全面规划,做到路基路面综合设计和分期修建;


路基排水要注意防止附近山坡的水土流失,尽量不破坏天然水系,尽量选择有利地质条件布设人工沟渠; 路基排水要结合当地水文条件和道路等级等具体情况,注意就地取材,以防为主; 为减少水对路面的破坏作用,应尽量阻止水进入路面结构,并提供良好的排水措施,以便迅速排除路面结构内的水,亦可建筑具有能承受荷载和雨水共同作用的路面结构。

1.边沟:边沟用于汇集和排除降落在路基范围内以及流向路基的少量地表水。边沟设置在挖方路基的路肩外侧或低路堤的坡脚外侧,多与路中线平行,用以汇集和排除路基范围内流向路基的少量地面水。
设置要点:
①边沟不宜过长;
②边沟的纵坡一般与路线纵坡一致;
③边沟的出水口应与桥涵相适应;

边沟布置:
(1)横向位置:边沟一般布置在路堑的路肩外侧或较低矮路堤坡脚外侧。
(2)边沟的纵坡:边沟的纵坡宜与路线纵坡相一致,并不宜小于0.5%,困难情况下可以减至0.3%。
(3)边沟的长度:单向排水长度每300~500米设出水口。
2.截水沟:又称天沟,一般设置在挖方路基边坡坡顶以外,或山坡路堤上方的适当地点,用以拦截并排除路基上方流向路基的地面径流。
设置要点:
①尽量与绝大多数地面流水方向垂直;
②应保证水流畅通,就近引入自然水沟内排出;
③截水沟水流不应引入边沟,当必须引入时,应增大边沟横断面,并进行保护;
④截水沟长度以200~500m为宜;



截水沟布置:
(1)横向位置:截水沟一般布置在路堑边坡或陡坡路堤上侧,垂直于山坡水流方向或基本与等高线平行。视降雨量,可以不设或设计多道。




(2)纵坡与长度:截水沟的纵坡不宜小于0.3%,长度的考虑以汇水既不造成过大的冲刷,又不淤积为原则。
横断面:一般为梯形,沟的边坡坡度,因岩土条件而定,一般采用1:1.0~1:1.5。沟底宽度b不小于0.5m,沟深h按设计流量而定,亦不应小于0.5m。


3.排水沟:排水沟的主要用途在于引水,将路基范围内的各种水源的水流,引至桥涵或路基范围以外的指定地点。
设置要点:
①排水沟的横断面一般采用梯形,尺寸大小应经过水力水文计算选定;
②排水沟位置可根据需要并结合当地地形等而;
③排水沟水流注入其他水渠或水道时, 应使原水道不产生冲刷或淤积;
④排水沟应具有合适的纵坡;

排水沟布置:
(1)排水沟的布置可以根据需要并结合当地地形条件而定,距离路基坡脚不宜小于3~4m,平面上应力求直捷,需要转弯时亦应尽量圆顺,做成弧形,其半径不宜小于10~20m,连续长度宜短,一般不超过500m。
(2)排水沟应具有合适的纵坡,以保证水流畅通,不致流速太大而产生冲刷,亦不可流速太小而形成淤积,为此宜通过水文水力计算而择优选定。一般情况下,可取0.5~1.0%,不小于0.3%,亦不宜大于3%。
(3)排水沟水流注入其他沟渠或水道时,应使原水道不产生冲刷或淤积。通常应使排水沟与原水道两者成锐角相交,交角不大于45,有条件可用半径R=10b(b为沟顶宽)的圆曲线朝下游与其它水道相接。
排水沟的横断面,一般采用梯形,尺寸大小应经过水力水文计算选定。 包括排水沟在内的土质沟渠在有可能受到冲刷和渗漏时必须进行防护和防渗处理。

4.跌水与急流槽:跌水与急流槽是路基地面排水沟渠的特殊形, 用于陡坡地段,沟底纵坡可达45度。在陡坡或深沟地段设置的沟底为阶梯,水流呈瀑布式跌落的沟槽称作跌水。跌水的作用是在较短的距离内,降低水流流速,消减水流能量,进而防止冲刷(用于坡度大于10%,水头高差大于1.0m的陡坡地段)
跌水构造:单级和多级之分,沟底有等宽与变宽之别。基本构造可分为进水口、消力池和出水口三个部分。
急流槽构造:进口、主槽和出口三部分。





5.急流槽:在陡坡或深沟地段设置的坡度较陡、水流不离开槽底的沟槽称作急流槽。急流槽的作用是在较短的距离内以沟渠的方式引排水流、降低水头,进而防止冲刷(可用于比跌水更陡的坡度,可达600)。

急流槽设置通常设置在高路堤边坡、高路堑边坡、路堑与高路堤连接处、回头曲线上下边沟等位置,是山区公路沟通上下线路路基排水及沟渠出水口的一种常见排水设施。



6.倒虹吸与渡水槽:当水流需要横跨路基,同时受到设计标高的限制,可以采用管道或沟槽,从路基底部或上部架空跨越,前者称倒虹吸,后者为渡水槽,分别相当于涵洞和渡水桥。两者属于路基地面排水的特殊结构物,并且多半是配合农田水利所需而采用。
倒虹吸的设置往往是因路基横跨原有沟渠,且沟渠水位高于路基设计标高,不能按正常条件下设置涵洞,此时采用倒虹吸是可行的方案之一。 渡水槽的设置是因原水道与路基设计标高相差较大,如果路基两侧地形有利,或当地确有必要,可设简易桥梁,架设水槽或管道,从路基上部跨越,以勾通路基两侧的水流。




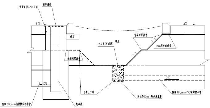
7.盲沟:相对于地面排水的明沟而言,盲沟又称为暗沟,是一种隐蔽工程。在沟内填以大小不同的颗粒材料,利用渗水材料的透水性将地下水汇集与沟内,并沿沟排泄至指定地点。
(1)设置要点:不宜过长,沟底应具有1%~2%的纵坡,出水口底面标高应高出沟外最高水位20cm,以防水力倒渗。
(2)条件:
1)路基范围内的泉眼。
2)市区污水管或雨水管 。
(3)构造:洞式,管式 :盖板周围用碎(砾)石做成反滤层,颗粒直径自上而下,由外及里,逐渐增大。
(4)纵坡:i≮1%,出口为边沟高出最高水位20cm。




8.渗沟:利用渗透方式汇集流向路基的地下水,并通过沟底通道将水排至指定的地点,起到降低地下水位或拦截地下水。



渗沟构造:由排水层(石缝,管,洞),反滤层和封闭层所组成。封闭层:防止地面水的下渗(浆砌片石)。反滤层:汇集水流,防止水层中的土粒堵塞排水层,由大小均匀的砂石材料,分层填埋。

填石渗沟(盲沟)流量不大,渗沟不长。纵坡一般采用5% ;管式渗沟适用地下引水较长的地段,纵坡一般不大于1% ;洞式渗沟流量较大,缺乏水管。有条件采用较大纵坡。


塑料管渗沟:带孔聚乙烯管;
土工布:聚丙烯纤维,有一定厚度,柔软,而且具有力学强度。水分可通过土工布,土壤均被挡住。


9.渗井:将地下水(或地表水)通过竖井,渗入地下排除。
使用条件:
(1)路线高度与原地面相仿,排水困难,距地面有渗透性土层。
(2)高速公路或城市道路立交桥下,路线为凹形竖曲线(同雨水井)。

上部:井口(圆或方) 集水结构
下部:填充由中心向四周由粗到细的砂砾石 排水结构
上层不透水层范围内填砂或砾石 ;下层透水层范围内填碎石或卵石。
井壁和填充料之间设反滤层。
井顶四周(进口除外)用粘土筑堤围护,井顶加筑砼盖。
缺点:造价高,不轻易用。

路面排水
1。路面表面排水
降落在路面上的雨水,应通过路面横向坡度向两侧排流,避免行车道路路面范围内出现积水。在路线纵坡平缓、汇水量不大、路堤较低且边坡坡面不会受到冲刷的情况下,应采用在路堤边坡上横向漫坡的方式排除路面表面水。
在路堤较高,边坡坡面在未做防护而易遭受路面表面水流冲刷,或者坡面虽已采取防护措施但仍有可能受到冲刷时,应沿路肩外侧边缘设置拦水带,汇集路面表面水,然后通过泄水口和急流槽排离路堤。
设置拦水带汇集路面表面水时,拦水带过水断面内的水面,在高速公路及一级公路上不得漫过右侧车道外边缘,在二级及二级以下公路上不得漫过右侧车道中心线。
拦水带可由沥青混凝土现场浇筑,或者由水泥混凝土预制块铺砌而成。
采用水泥混凝土预制块拦水带时,应避免预制块影响路面内部水的排泄。拦水带的顶面应略高于过水断面的设计水面高(水深),按设计流量公式计算确定。




超高路段中央分隔带三个要求:
(1)宽度小于3m且表面采用铺面封闭的中央分隔带排水,降落在分隔带上的表面水排向两侧行车道,其坡度与路面的横坡度相同;在超高路段上,可在分隔带上侧边缘处设置缘石或泄水口,或者在分隔带内设置缝隙式圆形集水管或碟形混凝土浅沟和泄水口,以拦截和排泄上侧半幅路面的表面水。缘石过水断面的泄水口可采用开口式,格栅式或组合式;碟形混凝土浅沟的泄水口采用格栅式。
(2)宽度大于3m且表面未采用铺面封闭的中央分隔带排水,降落在分隔带上的表面水汇集在分隔带中央的低洼处,并通过纵坡排流到泄水口或横穿路界的桥涵水道中。
(3)表面无铺面且未采用表面排水措施的中央分隔带,降落在分隔带上的表面水下渗,由分隔带内的地下排水设施排除。


路面结构内部水的危害:浸湿各结构层材料和路基土,易造成无粘结粒状材料和地基土的强度降低;使水泥混凝土路面产生唧泥,随之出现错台、开裂和整个路肩破坏;进入空隙的自由水在行车荷载的作用下,会形成高孔隙水压力和高流速的水流,引起路面基层的细颗粒产生唧泥,结果失去支承;在冰冻深度大于路面厚度的地方,高地下水位会造成冻胀,并在冻融期间降低承载能力;水使冻胀土产生不均匀冻胀;与水经常接触将使沥青混合料剥落,影响沥青混凝土耐久性和产生龟裂。
路面结构内部排水设置条件:
(1)年降水量为600mm以上的湿润和多雨地区,路基由透水性差的细粒土(渗透系数不大于10-5cm/s)组成的高速公路、一级公路或重要的二级公路。
(2)路基两侧有滞水,可能渗入路面结构内。
(3)严重冰冻地区,路基为由粉性土组成的潮湿、过湿路段。
(4)现有路面改建或改善工程,需排除积滞在路面结构内的水份。
路面结构内部排水设置要求:
(1)路面内部排水系统中各项排水设施的泄水能力均应大于渗入路面结构内的水量,且下游排水设施的泄水能力应超过上游排水设施的泄水能力。
(2)渗入水在路面结构内的最大渗流时间,冰冻地区不应超过1小时,其它地区不应超过2小时(重交通)~4小时(轻交通)。渗入水在路面结构内的渗流路径长度不宜超过45m~60m。
(3)各项排水设施不应被渗流从路面结构、路基或路肩中带来的细料堵塞,以保证系统的排水能力不随时间推移而很快丧失。


排水路面设计方案:









文章来源:筑龙路桥设计;如有侵权请第一时间联系删除
更多相关信息 还可关注中铁城际公众号矩阵 扫一扫下方二维码即可关注





